앞의 글에서 외부참조 잘라내는 방법에 대하여 이야기 하였습니다.
xclip도 블럭에서 사용 가능합니다.
블럭에만 해당하는 명령어가 있어서 올립니다.
앞에서도 언급을 하였는데, express부분에 웬만한 리습은 다 있습니다.
위와 같은 도면이 있습니다
그림을 아래와 같은 블럭 편집을 그대로 사용하면서 폴리선내부 만큼 잘라냅니다.

회색선만큼 이제 잘라내도록 하겠습니다.
명령어는 clipit 를 사용하거나 아니면 아래와 같이 툴바에서 선택합니다.
그리고 난뒤에 작업을 합니다.
명령어를 치고 나서 폴리선을 선택합니다.
그 이후에 블럭을 선택합니다.
위는 명령이 진행되는 동안 명령어창을 복사한것입니다.
그리고 난뒤에 결과물은 아래와 같은 그림이 나옵니다.
외부참조 자르는것이랑 별반 차이가 없습니다.
작업을 해보신후에 의문점이 생기시면 댓글을 달아주시기 바랍니다.
Category: ArchitectKorea
제00강. 건축, 인테리어 컴퓨터 디자인 개요
안녕하세요.
Alias_2020 입니다.
이번에 안산공대 실내건축과 컴퓨터 그래픽 강의를 추가로 맡게 되어서, 강의 자료 정리 겸,
학생들의 복습공간 및 질문공간으로 사용할 겸 하여, 강좌를 개설하게 되었습니다.
본 컴퓨터 디자인 세미나의 목적은…
모든 컴퓨터 어플리케이션을 건축, 인테리어 디자인 툴로서 접근하여 연구하는데에 있습니다.
한가지 어플리케이션의 최고 전문가도 필요하지만, 실무의 급박한 상황에서. 혹은,
소규모 사무실에서 발생하는 올라운드 플레이를 하기 위해서는 전체 작업 플로우를 알아야 하기에,
도움이 될 만한 내용을 정리해 보는 것입니다.
각종 그래픽 프로그램들의 간단한 소개로 끝날 수도 있고, 자주 쓰이는 부분은 심층적으로 들어갈 수도 있습니다.
이 컬럼에서 더 심화되어 하나의 메뉴로 자리잡을 수도 있습니다.
여러분과 같이 만들어가는 세미나가 되기를 기대 해 봅니다. 언제든지 질문은 환영하며, 지원가능한 부분은 최대한 지원하겠습니다.
수업의 목표를 간략히 정리해 봅니다.
01. 건축, 인테리어 계통에서 사용되는 컴퓨터 프로그램에 대한 간락한 소개.
02. 최종 자료의 종류에 따른 그래픽 프로그램의 접근 방식.
03. 업무 플로우 정리.
04. Autodesk AutoCad
04-1. Autodesk Buzzsaw
05. Adobe Photoshop
06. Autodesk 3D Max
07. Adobe Illustrator
08. Corel Draw
09. Adobe Indesign
10. Adobe Acrobat
11. Adobe Flash
12. Adobe Premiere
13. After Effect
14. Sketch up
15. FormZ
16. Microsoft Office, Power Point, Excel, Word
17. Windows OS, 파일서버와 팀 웤
18. Plotter 사용법, 대형 프린팅 퀄러티 컨트롤
19. 기타, 물고기 낚는법을 가르쳐 주세요.
위의 내용을 모두 다 심층적으로 다루기는 어렵습니다.
하지만 건축, 인테리어 실무에서 사용 될 만한 기초 기능 혹은 특화된 기능을 소개하는것 만으로도,
본 세미나의 의미가 있다고 생각하여 리스트 업 하였습니다.
본 세미나는 위의 프로그램 회사와 아무런 관련이 없으며,
실습을 해 보시기를 원하시는 분들은 각 프로그램 홈페이지에서
무료 시험판을 이용하시기 바랍니다.
또한, 모쪼록 좋은 회사에 취직하시어, 위의 프로그램 정품이 설치되어 있는 컴퓨터를 사용하시기를 기원합니다. ^_^
본 세미나 및 강좌의 저작권은 아키텍코리아와 해당 인스트럭터에게 귀속되어 있으며, 무단 발췌와 링크를 금합니다.
2008년 8월 28일
Alias_2020.
세미나 개편 예고
강좌가 개설되어 있으나 글이 없는 카테고리는 세미나 인덱스 페이지에서 정리할 예정입니다.
게시판과 메뉴는 그대로 존재하며 강좌가 진행될때 세미나 인덱스 페이지에 올라갑니다.
감사합니다.
외부참조 필요한 부분만큼 자르기
외부참조를 여러개를 불러오다가 보면 파일 용량이 커지는 경우가 발생됩니다.
그러면 컴퓨터가 느려지게 되지요
그런경우는 외부참조중 사용되지 않는 부분을 지우면 좋겠지만. 지울수는 없습니다.
wipeout처럼 부분적으로 보이지 않게 하면 됩니다.
필요한 부분만 남기고 나머진 숨긴다고 보는거죠.
이렇게 하면 파일 용량도 줄어들고 작업공간도 줄어들게 되어 시각적으로도 편합니다.
그럼 이작업을 하는 과정을 한번 보겠습니다.
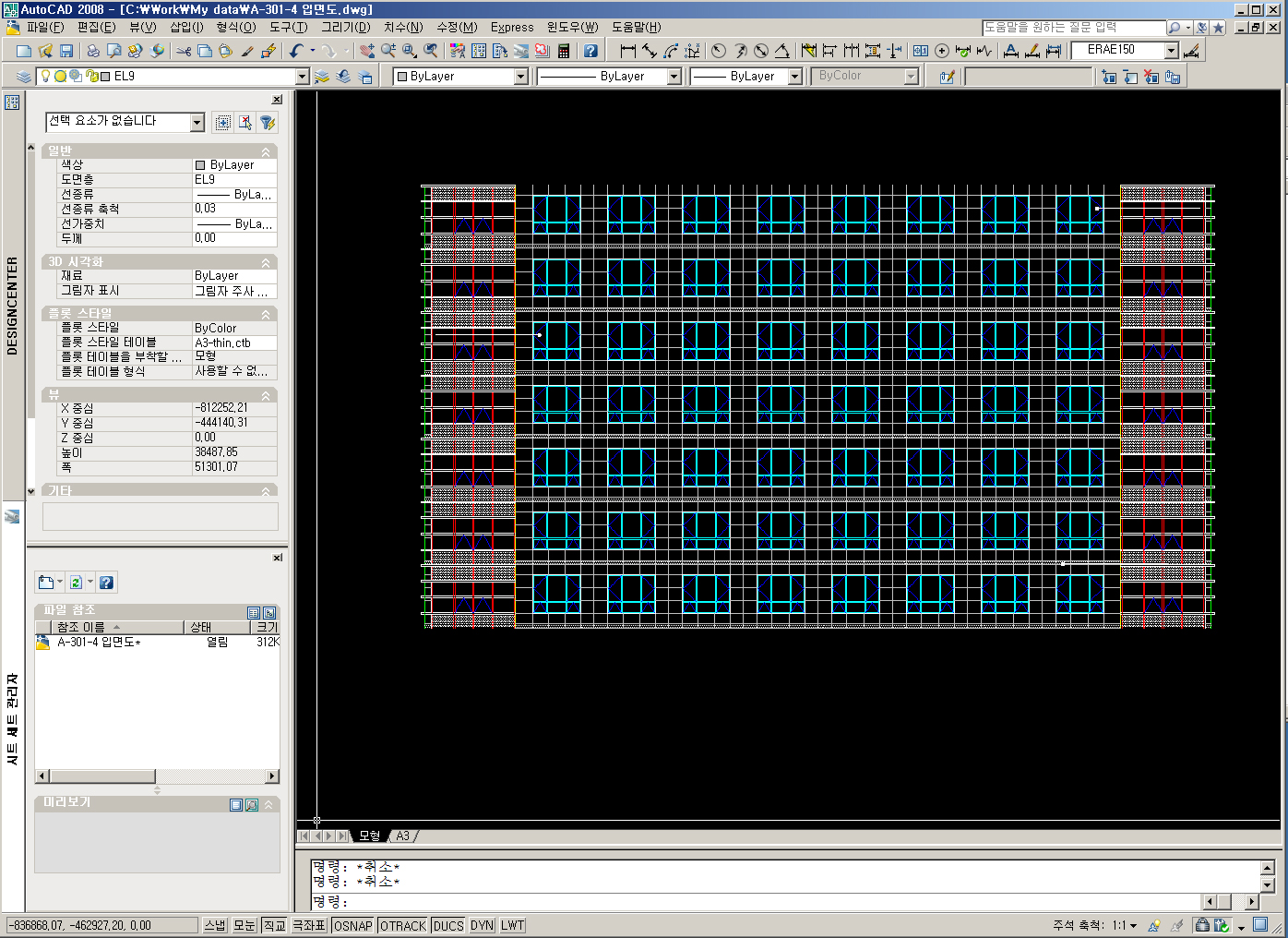
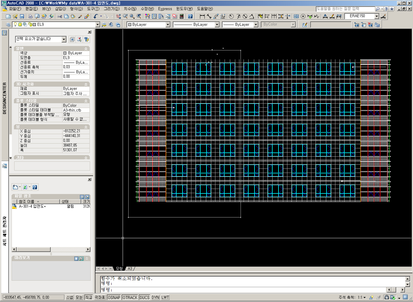
위와 같은 그림이 있을경우에 입면도 1의 윗부분만 남기고 나머진 이 도면에서 필요하지 않다고 가정합니다.
나머지 부분이 남아있으면 파일용량만 커지고 줌에 관련된 명령어에도 불편함을 가져옵니다.
먼저 명령어는 xclip입니다.
아니면 마우스로 아래와 같이 누릅니다.
그리고 난다음에 외부참조를 클릭합니다.
그리고 난뒤에 선택사항들이 여러개가 보일것입니다.
캐드 명령어창을 보면서 설명을 드리겠습니다. 
먼저 명령어를 친후 객체선택이 나옵니다.
그럼 외부참조를 클릭하면 자르기 옵션으로 여러가지 옵션이 나옵니다.
저기서 폴리선 생성과 새로운 경계를 사용하는데.
거의 새로운 경계를 사용한다고 생각하십시오.
새로운 경계를 선택하면 자르기 경계 지정 또는 반전 옵션이 나옵니다.
폴리선 선택은 defpoints레이어나 출력되지 않는 레이어로 미리 폴리선을 그려 영역을 잡았다면 s를 누른후 폴리라인을 클릭하면
폴리라인 안의 그림만 남고 나머진 다 보이지 않습니다.
다각형과 직사각형은 폴리라인의 형태가 직사각형인지 다각형인지의 차이점이고 그리고 그 폴리라인을 새로 그린다는 차이점
뿐입니다.
2008이상 버젼부터 새로 나온 부분이 반전 부분인데.
말그대로 반전입니다. 거꾸로 된다는거죠. 위의 상황은 폴리라인 안이 남고 밖의 부분은 안보이는것인데
반전은 폴리라인 안이 안보이고 외부가 보인다는 뜻입니다.
아래와 같은 그림이 있습니다.
옥상 부분에 제가 그려넣은 폴리라인이 보일것입니다.
그 폴리라인으로 일반 외부참조 자르기와 반전 자르기를 해보겠습니다.
위의 부분은 폴리선을 선택해서 외부참조 자르기를 한 것입니다.
명령어창을 보시면 이해가 빠르실것입니다.
아래 화면을 반전자르기를 이용한 창입니다.
저렇게 쓸일이 없어 보일수도 있습니다만.
그리다가 보면 정말 필요할때도 있습니다.
저게 나오기 전에는 파일을 깨거나 아님 변칙적으로 폴리라인을 만들어 하기도 하였습니다만.
2008이상 버젼에 저 기능이 추가되어서 개인적으론 아주 만족합니다.
외부참조 자르기에 대해서 지금까지 간단히 정리하였습니다.
매핑 소스-나무
포샵 색 칠할때 사용 할만한 나무재질 매핑 입니다..
사람 포샵파일 앞,옆모습
필요하신분 쓰시기 바랍니다.
토론의 장소로…
법규를 직접접하지 않으면 법규의 중요성을 크게 못느끼는 경우가 많은거 같습니다.
계획을 하던 실무를 하던 건축이란걸 한다면 평생 엮여서 가야 하는 부분이죠.
현재하고 있는 프로젝트에 항상 고민이 생기는 법규 해석이 생깁니다.
여기 계신분들도 각각의 사무실이 틀리니. 사무실마다 해석도 틀리게 나옵니다.
애매한 부분들은 여기서 토론을 가질수 있도록 했으면 좋겠습니다.
한국의 법규는 최종적으론 허가권자의 재량에 달려있긴 합니다만. 예시를 가지는 것도 좋다고 봅니다.
해외 프로젝트를 하시는 분들도 적용되는 코드가 틀리므로 여기계신분들중 해외 프로젝트 하시는 분들도
여럿 계시리라 봅니다.
다양한 접근방식과 다양한 경험을 가지고 법규를 접근했으면 좋겠습니다.
일반 건축물 뿐 아니라 주거쪽도 마찬가지라고 생각됩니다.
ctb 와 stb
출력을 할때 일반적으로 ctb파일을 불러와서 사용을 합니다.
플롯스타일 관리자 보면 거의 대부분이 ctb파일이지만. 간혹 stb 파일도 보입니다.
보통은 ctb를 사용하는데 그건 캐드 초기 템플릿파일에서 지원하는 방식이 ctb이기 때문입니다.
stb파일은 레이어별로 선굵기를 조정할수 있으며 보통 사용하는 ctb는 선색으로 굵기를 조정합니다.
두가지 서로 변환이 가능하다고 알고 있지만 해보지는 않아서 정확히 말씀드리긴 ….
stb ==> ctb 는 convertstyles라는 명령어로 되며
반대의 경우는 convertctb 명령어를 사용합니다..
저 상황이 생기시는 분은 해보시고 댓글을 좀 달아주시기 바랍니다..
인스트럭터를 찾습니다.
인스트럭터를 찾습니다.
아키텍 코리아와 같이할 인재를 구합니다.
건축에 열정이 있으시다면 누구나 강좌를 하실 수 있습니다.
연락주시면 상의후에 컬럼을 개설해 드립니다.
건축가들의 정보 공유와 친목 도모를 위하여 2008년 1월1일 웹사이트를 시작으로 오픈 하였습니다.
건축 전문가, 준 전문가, 학생 및 모든 일반인(집을 지으려는 모든사람)에게 열려 있습니다.
선의의 비판, 비평, 찬사, 토론을 통해 상호 진전을 도모하며, 세계 건축의 발전을 돕습니다.
아키텍 코리아의 인증 후에 전문 지식의 강의 공간이 제공 되며, 각 강의 및 저작물의 저작권은 각 저작자와 Architect Korea에 있습니다.
2008.08.05
관리자 드림.
제9강. RAW 촬영 개요 2/2부
안녕하세요.. 그간 Photo Technique – 포토테크닉 부분의 업데이트가 없어서 미안한 마음이 많습니다.
뭔가 대단히 바쁘거나, 정신이 없었던것도 아니고, 날씨가 좋아서 놀러다닌것두 아니고.. 그냥 강좌를 미루게 되었네요.
하지만 그간 사진은 엄청 많이 찍었습니다. 건축물 홍보용 사진도 찍고, 실내 건축 사진도 찍고… 딸 사진도 찍어주고…
각설하고 .. 다음 강좌 들어갑니다.
제9강. RAW 촬영 개요 2/2부
사진 촬영을 아주 급하게 진행하다 보면, 사진의 질이 떨어지게 마련이다.
급한마음에 셔터만 자꾸 눌러댄다.
물론 셔터를 많이 누르면 좋은 구도의 사진이 나올 확률은 높다. 하지만, 사진은 구도만으로 완성되는 예술이 아니다.
빛의 방향도 보아야 하고, 빛의 색깔도 봐야하고, 강약도 조절해야 한다…
말 나온김에 정리나 한번 해 볼까?
A. 사진찍을때, 맞추어야 하는것들
1. 구도 (조리개 + 피사체의 상태)
2. 노출 (조리개 + 셔터스피드)
3. 피사계 심도 (조리개 + 셔터스피드)
4. 빛의 방향 (기타 주변상황)
5. 빛의 색 (색온도, 화이트밸런스)
몇가지 안되는군…
하지만 셔터를 누르는 순간에 이런걸 다 생각하고 따지고 하면, 사진을 찍을수도 없고 좋은사진을 얻을수도 없다.
인물의 경우, 좋은 표정이 모두다 사라지고 나서 셔터를 누르게 되며, 정물의 경우 항상 같은 진부한 사진만 얻게 될것이다.
(가끔씩은 의도한 이상으로 의외의 사진도 필요하다. 보통은 작가가 의도한 것보다 더 좋은 사진을 얻기힘들지만…)
(초심자의 경우는 의외의 사진이 더 많이 좋을때도 있고, 그것이 실력향상에 무지하게 기여한다. – 그것도 실력의 일종이다.)
따라서, 결정적인 순간에 주저하지 않고 마구 누를수 있어야 하며, 나머지 잡것들은 후보정(후보정한 사진은 사진도 아니라는 사람도 여전히 많다.)으로 넘기는 것이 좀 더 좋은 결과물을 얻을 수 있다.
B. 셔터를 마구 마구 누를 수 있게 도와주는 하드웨어 기술들
1. AF – 오토포커스 카메라 – 자동초첨
[2008.08.21 추가]
———————————————————————————————————————————
1-1. 자동 노출 – 당연한 이야기 이겠지만…노출이 안맞으면 RAW까지 갈것도 없이 버려야 한다.
1-2. 자동 ISO – AUTO ISO 최근의 카메라들은 ISO가 25600까지 그냥 올라간다.
최저의 셔터 스피드 이하로 내려갈때는 ISO 치를 올려서 사진을 얻을수 있게 해 준다.
물론 약간의 노이즈는 감수해야하며, 그래도 흔들린것 보다는 나을때가 많다.
———————————————————————————————————————————
2. 셔터랙이 적은 카메라 – 셔터를 누른후에 사진이 실제 찍힐때 까지 걸리는 시간이 적은
3. OFF to ON 이 짧은 카메라 – 켜서 셔터를 누르고 찍힐때 까지 시간이 적은
4. 빠른 연사속도를 지원하는 카메라 – 셔터를 누르고 있으면 연속적으로 사진을 찍어대는 횟수 – 예) D300 약 6 FPS – 일초에 6장
5. 대용량의 버퍼를 가진 카메라 – 연사를 몇장까지 계속 할 수 있는지 – 예) D2h 초당 8프레임 촬영하여 약 40여장 연사
6. RAW 촬영을 지원하는 카메라 – 최근 대부분의 디지털 카메라 지원
7. AWB – 오토 화이트 벨런스를 제대로 지원하는 카메라 – 대부분의 디지털 카메라 지원
8. DOF Preview- Depth Of Field (피사계심도) 미리보기 기능이 있는 카메라 – 디지털 SLR 대부분 지원
9. 대용량의 속도 빠른 메모리 카드 – RAW 촬영을 하면 파일의 용량이 크므로 화소수에 따라 적당히 가격대 성능비가 좋은 메모리
10. 촬영후의 프리뷰가 연속적으로 나타나는 카메라 – 최근 대부분의 디지털 카메라
11. 무선랜의 지원으로 프리뷰가 컴퓨터 화면으로 바로 뜨는 카메라 – 최근의 디지털 카메라
12. 플래쉬의 연사속도가 빠른 스튜디오 설비 – 말그대로.. 좋은 플레시 전원부와 플레시
13. 호흡이 잘 맞는 모델 ( 하드웨어 인가? ^_^ ) – 여러번 작업(?)을 해본 모델
이러한 것들이 준비되면, 촬영에 들어간다. 물론 필수의 요건들은 아니다. 하지만 있으면 좋다는것이고,
이러한 조그마한 것들이 모여서 결과물의 질로 나타난다.
이러한 조그마한 것들 중 대부분은 돈으로 만회가 된다.
한마디로 비싼 카메라를 구입하고, 비싼 스튜디오를 꾸미고, 비싼 모델을 고용하면 되는것이다.
하지만, 오늘 강좌의 주제와 같이 RAW 촬영은 모르면 못한다. 아무리 비싼 녀석들도 기본 세팅은 JPG 촬영이다.
RAW촬영이 무엇인지는 전편에서 개략설명을 했으니 넘어가고,
RAW 촬영은 어떻게 하는건지, 하면 무엇이 좋은건지 알아보자.
우선 카메라의 촬영 옵션중에 “화질” 을 설정하는곳에 통상적으로 RAW 촬영 설정하는 곳이 있으며,
그곳에서 RAW 와 JPG 를 선택할 수 있고, 촬영 화소수를 결정할 수 있다.
보통의 경우 JPG로 지원하는 최대 화소로 촬영하는 경우가 많다.
필자의 경우 RAW + JPG 촬영을 기본으로 사용한다. 사실 엄청난 용량 낭비이며, 버퍼낭비, 카메라의 리소스 낭비이다.
하지만 필자는 그렇게 촬영한다. 왜냐?
스포츠 사진가가 아니기 때문이다.
버퍼가 꽉 차면 모델에게 자세를 바꾸라고 시키거나, 옷매무새를 다듬을 수 있고,
메모리카드가 꽉 차면, 옆의 노트북으로 카피후에 다시 찍으면 된다.
하드웨어 사양에 적응해서 쓰고 있다는 거다.
하지만 연속적으로 마구 찍어대야 하는경우는 jpg 촬영을 해야한다. 경기 다 끝나고 나면 촬영의 질 운운해 봐야 소용이 없기 때문이다.
다시 RAW 촬영으로 돌아와서 실전으로 들어가자. 이제부터는 예시가 필요하다.
봐야 알지.. 말로만 하지 말자. ^_^
기본적인 작업 스팩이다. 참고 하자.
Nikon D300, Nikkor MF 35mm, Nikon Capture NX, Adobe Photoshop CS3, Nikon View NX
우선 raw설정으로 촬영을 한 결과물을 보고 간단한 에디팅으로 어떤 결과가 나오는지 보면 이해가 빠를것이다.
원본파일의 촬영환경은..
둘째 목욕시킨후에 아침, 실내, 목욕탕의 백열전구 60w 2구 정도… ^_^..
보통의 실내와 비슷하겠다.
원본을 리사이즈 하였고, 도용 방지를 위해 워터마크만 삽입하였다.
[사진 1-01. 원본 리사이즈]
이정도 사진으로 만족할 수도 있다.. 색감이란건 지극히 주관적이므로. 정답은 없다.
하지만 이것저것 해 보고 비교해 보자.
필자의 생각엔 이 사진은 화이트 벨런스가 조금 안맞고, 노출이 조금 부족한듯 하다.
일반적으로 보통의 사람들은 아기 사진을 소위 뽀샤시… 해야 한다고 생각하기 때문이다. ^_^
보통의 아기사진 스튜디오의 사진에 오랫동안 길들여져서 일지도 모르지만…. ^_^
원본 RAW 파일을 Nikon Capture NX 에서 열어보자.
[사진2-01. CaptureNX 기본인터페이스]
오른쪽 상단의 Base Adjustment > Raw Adjustment 란을 조금만 만져주면 된다.
우선 화이트 벨런스 부터 조정해 보자.
[사진 2-02. White Balance의 조정]
파랑색으로 반전된 부분의 근처에 여러가지 세팅이 보일것이다.
[Use Gray Point]
– 가장 진보된 방식이며 정확하다. 원칙적으로는 사진 내에 표준 그레이 카드가 있어야 한다. 없을경우는 흰색 벽지나 와이셔츠 등을 선택해 주며 그것도 없으면 확대하여 인물의 눈 흰자위를 골라주면 된다. 아래의 그림에서 확인해 보자.
[사진2-03. 그레이포인트의 설정방법]
최상단의 Set Gray Point 선택 > Sample Gray Point > Marquee Sample (단 한점을 선택해 주는것 보다 흰색 부분의 영역을 마키로 선택하는것이 더 정확할 것이다.) 을 선택한 후 Start 버튼을 누른다.
그 후에 사진의 원본을 확대해서 흰색을 찾아 네모영역으로 선택하면 된다.
그레이 포인트를 사용한 결과물
[사진1-02. 화이트 벨런스 : 그레이포인트로 눈 흰자위를 선택한 결과물]
다시 [사진 2-02. White Balance의 조정]으로 돌아가서 화이트 벨런스를 여러가지로 조정해 보자.
결과물만 보시라.
[사진1-03. 화이트 벨런스 : 컴퓨터 프로그램 자동]
[사진1-04. 화이트 벨런스 : 백열등모드(Incandescent)]
[사진1-05. 화이트 벨런스 : 형광등모드(Fluorescent)]
[사진1-06. 화이트 벨런스 : 태양광 그늘(Daylight Shade)]
비교정리도 한번 해 보자 ^_^

[원본] [그레이포인트] [자동] [백열등] [형광등] [주광그늘]
필자가 선택한 최고는 그레이 포인트이지만, 독자 여러분은 생각이 다를수도 있겠고, 또한 너무 실제와 같은것도 재미가 없을수 있으니, 원하는 결과물을 선택하자.. 필자는 그레이 포인트에서 계속 수정을 진행하겠다.
이제 화이트 벨런스의 수정이 끝났으니 노출을 손보자.
[사진2-04. 노출의 조정]
통상적인 Raw 파일의 노출은 정노출에서 2단계까지 올리고 내리고가 가능하지만, 강제로 건드리면 더 높이고 내리는것도 가능할것이다. 하지만 되어도 노이즈가 심하거나 계조가 죽어버리게 되므로 가능하면 2스텝 안에서 해결하도록 한다. 본 사진의 경우는 1.3 밝게 오버 노출로 변경하였다. 너무 밝은사진에는 얼굴의 윤곽이나 볼륨이 죽어버리게 된다. 따라서 눈으로 보고 마음에 들때까지 건드려 본다.
결과물이다.
[사진1-08. 화이트 벨런스 : 그레이 포인트 흰자위 설정, 노출 : 1.0 오버로 변경]
[사진1-07. 화이트 벨런스 : 그레이 포인트 흰자위 설정, 노출 : 1.3 오버로 변경]
[사진1-09. 화이트 벨런스 : 그레이 포인트 흰자위 설정, 노출 : 1.6 오버로 변경]
작게 비교해 보자

[노출1.0 오버] [노출1.3 오버] [노출1.6 오버]
지극히 주관적이지만 필자는 1.3을 선택했으며, 사진의 사용 목적에 따라 계조가 좀 더 잘 표현된 1.0을 선택할 수도 있고,
피부톤이 더 곱게 보이는 1.6을 선택할 수도 있을것이다.
여기까지가 이번수업의 끝이다.
이런식으로 조금씩 사진을 건드리다 보면 많은 시간이 소요되지만, 한장의 사진을 잘 나오게 하려면 이정도의 수고는 감수해야 할 것이다. 필자의 경우 하루동안 촬영하러가서 사진을 찍어오면, 거의 하루 이상의 후보정 시간이 소요될 때가 많다. 디지털 사진 시대에사진 찍는 작업이 그냥 셔터만 눌러대는것이 아닌 것이다. 디지털 암실작업이 추가된 것이다.
다시 한번 정리하자면, 이러한 후보정의 도움을 받을 수 있는것들은 최대한 뒤로 미루어 두고, 현장에서 촬영할 때에는 최대한 순발력 있는 작업이 가능하도록 촬영해야, 시간과 비용을 절약할 수 있으며, 좋은 빛을 담을 수 있고, 좋은 표정을 얻어 낼 수 있고, 사람들을 피곤하지 않게 할 수 있는것이다. ^_^
——————————————————————————————————————-
본 글의 저작권은 저작자에게 귀속되어 있습니다. 무단발췌를 금합니다. 2008.08.05 -Alias_2020-
블럭 기준점 바꾸는 리습
일반적으로 블럭 잡을때 기준점을 잘 안잡는 경우가 많습니다.
그럴경우 도면 그릴때 스테레치가 안먹을경우가 종종 생깁니다.
블럭 기준점 변경하는 리습 올립니다.
명령어는 blc입니다
레이아웃 네번째
이번에는 레이아웃창에다가 스케일이 다른 도면을 넣는 것을 하겠습니다.
아래와 같은 그림이 있습니다.
오른쪽에 붉은색으로 표시한부분에 왼쪽 입면도의 상세도를 추가하려고 합니다.
저 그림을 그대로 가져와서 스케일만 조정하면 됩니다.
mview로 잡은 창을 먼저 copy하여 창을 하나 더 만듭니다.
그럼 아래와 같은 그림이 될 것입니다.
이그림에서 옥탑부분 디테일을 추가해서 그릴려고 합니다.
현재 도면 스케일은 1/200이라면 상세도는 1/50으로 그립니다.
그럼 앞에서 설명한 부분대로 카피한 mview창의 스케일을 1/50으로 조정합니다
그런 이후에 아래와 같이 적당히 보기 좋게 배치를 합니다.
위의 그림에서 최상부층과 1층부분 두개를 가지고 1/50스케일로 배치를 해보았습니다.
실제로 실시 도면을 하실때는 필요한 부분을 따 오시면 됩니다.
왼쪽도면에 상세표시를 하고 오른쪽 상세도면엔 일련번호를 매기시기 바랍니다.
그리고 글씨크기와 치수 이런부분들은 새로 써주시는게 낫습니다.
글씨크기는 캐드(2008) 이상에서는 주석태그라는 기능이 있어서 글씨를 한번만 써주시면 해결이 되긴 합니다.
치수부분은 불행히도 다시 해줘야 합니다.
그래도 외부참조와 레이아웃을 사용하면 시간은 단축되며, 그리고 도면의 완성도는 높아집니다.
불편해 하시는 분들도 많을 것이라 생각되지만.
익숙해지면.전체적인 완성도가 높아져서 저 같은 경우에는 많이 사용합니다.
위와 같은 레이아웃은 평입단면도 상세에 많이 쓰면 좋습니다.
구조도면에서도 구조평면에서 부분의 단면 표기할때 스케일 틀려서 1/1로 그렸다가 스케일 조정하고 하는 번거로움(치수조정등)
이 줄어듭니다.
노을

저녁먹다가 한컷…
현장에 촬영하러 갔을때 이런 노을을 만나면 얼마나 좋을까나 ? ^^
벨리타하우스

벨리타하우스 목업 현장 촬영.
레이아웃-세번째
세번째 시간입니다.
레이아웃이 간단하면서도 복잡해 보이는게 개념을 이해하면 너무 간단하지만.
외울려고 한다면 더 어렵죠.
하나의 예를 든다면 그림 그려놓고 적당한 크기로 복사를 한 후에 액자에 넣는것입니다(최종 결과물기준)
이렇게 된 결과물에서 편집을 하려고 내부를 더블클릭하게 되면 다음과 같은 화면이 나옵니다.
이때 실수를 하여 마우스를 휠 작업 했을때 다음과 같은 화면이 나옵니다.
이럴때 스케일이 고정이 되면 저런일이 생기지 않을겁니다.
그럼 스케일을 고정하는 방법을 이번에 해보겠습니다.
방법은 먼저 아래와 같이 mview한 창 끝선을 명령어를 아무것도 하지 않은 채 그립잡듯이 잡습니다.
위의 화면에 보시면 제가 특성창을 띄워 놓았습니다.
특성창에 보면 붉은 색으로 표시한 부분 화면표시가 잠김 이라고 되어있는 부분에 아니오라고 되어있습니다.
그부분을 아래와 같이 예라고 바꿉니다.
그럼 내부가 활성화 된 상태여도 zoom 및 pan 을 사용하여도 고정된 상태에서 모형공간 처럼 편집을 할수가 있습니다.
2008버젼 이상에서는 한가지 방법이 추가로 있습니다.
이부분이 2008 이상부터 나온 주석부분입니다.
붉게 칠해진 부분이 열쇠가 풀려있습니다.
위처럼 mview 한 부분을 클릭한 후에 열쇠가 잠긴 부분을 클릭한번 해주면
아래와 같이 열쇠가 잠깁니다.
그럼 위와 같이 되고 윗 부분의 설명과 같이 똑같이 zoom 및 pan을 하셔도 모형 공간처럼 사용 하실수 있습니다.
지금까지 레이아웃 한면에 그림 하나만 넣었는데
상세도를 추가 할경우에는 스케일이 틀려집니다.
일반적으로 하나를 그리시고 스케일을 조정하셔서 넣는 경우가 많습니다.
그리시지 말고 항상 스케일은 1대1로 그리신후에 편집하시는 것이 좋습니다.
다음에 그에 대한 부분을 설명하도록 하겠습니다.
여름휴가 일정 의견 접수
공지드렸던 바와 같이 7월~8월 휴가 일정에 대해서 의견을 듣고자 합니다.
인스트럭터님들 위주로 최대한 좋은 일정을 맞추기 위해서,
좋으신 시간을 제시해 주시면 최대한 맞추어서 진행해 보고자 합니다.
많은 의견 부탁드립니다.
장소 : 경상북도 경주시 모화리 주택
시간 : 미정 7~8월중 (주말 1박2일 혹은 2박3일)
이벤트 : 팬션에서 놀고 먹기, 계곡에서 물놀이 및 아키텍 코리아 향후 방향 논의
비용 : 무료 (여기까지 오시는 차비는 들겠지요.^_^)

건축법 일부 변경
법률 제9103호
건축법 일부개정법률
건축법 일부를 다음과 같이 개정한다.
제110조제10호를 제11호로 하고, 같은 조에 제10호를 다음과 같이 신설한다.
10. 제52조에 따른 방화(防火)에 지장이 없는 재료를 사용하지 아니한 공사시공자 또는 그 재료 사용에 책임이 있는 설계자나 공사감리자
부칙
이 법은 공포한 날부터 시행한다.
일부가 개정되었습니다.
특별한 내용은 아니지만 설계자도 책임을 가져야 한다는 내용이 있어서
재료마감표를 작성할때 조금 더 주의를 기울여야 할거 같습니다.
레이아웃모드-두번째
앞부분이 설명이 넘 길어서 두번째로 넘어왔습니다.
첫번째의 마지막 화면에서 시작하도록 하겠습니다.
이제 모형공간에서 그린 도면을 불러와야 할 시간입니다.
불러들여오는 명령어는
mview라는 명령어입니다.
위와 같이 명령어를 치고 나서 대충 영역을 만듭니다.
(일반적으로 Mview는 사각형 형태로 하지만 위에 보시는것처럼 세팅방법은 여러가지가 있습니다. 다각형으로도 할수 있고 객체로도 할수 있고 여러가지 입니다. 직접 테스트 해보시기 바랍니다.)
영역을 만들면 아래와 같은 화면이 나옵니다.
그럼 이제 스케일에 맞추어서 넣어야 합니다.
스케일을 조정해보겠습니다.
위의 도면은 스케일이 1/200이 되어야 하는 도면입니다.
1/200의 스케일로 도면을 만들어 보겠습니다.
위의 화면을 보시면 두껍게 하얀색으로 된 선이 보입니다.
이부분은 레이아웃모드에서 모형모드를 컨트롤 할경우 (모형부분이 활성화)입니다.
레이아웃에서 창 내부를 더블클릭합니다. 선을 더블클릭하시면 안됩니다.
위처럼 zoom명령어를 사용하시고 엔터 친이후에
원하시는 스케일을 친 이후에 뒷부분에 xp를 적어줍니다.
그리고 엔터를 칩니다.
그럼 아래와 같은 화면이 나옵니다.
여전히 모형공간이 활성화 되어있기 때문에 모형공간 외부(진하게 보이는 부분 외부)를 더블클릭합니다
그럼 진하게 보이는 부분은 아래와 같이 없어집니다.
[ 다른 명령어로 처리를 할수도 있습니다.
mvsetup이라는 명령어를 치시면
아래와 같은 화면이 나옵니다.화면과 같이 세팅을 해주시면 됩니다.
명령어 세팅과정이 그냥 zoom보다 복잡하기 때문에 추천을 하지 않습니다만 이 명령어를 레이아웃모드에서 사용할 경우가
종종 발생하니 알아두시기 바랍니다]
이제 예쁘게 배치를 해야하겠죠
그럼 mview한 선을 클릭합니다.
모서리 부분을 그립으로 잡아서 stretch하는 것과 똑같이 하여 예쁘게 배치해봅니다.
이렇게 배치를 하면 작업은 끝이 납니다.
Plot Preview를 해보겠습니다.
아래와 같은 화면이 나오게 됩니다.
mview할때 사용했던 선이 보이게 되면 좋지 않겠죠
그래서 mview 명령어를 사용하시기 전에 레이어를 추가해서 하나 만들어서 Plot이 안되게 세팅을 해주시거나
아니면 레이어를 Defpoints로 하시고 난뒤에 mview를 하시면 좋습니다.
그럼 레이어를 Defpoints로 변경후 Plot Preview 해보겠습니다.
위와 같이 mview할때 사용한 선들이 보이지 않습니다.
실제로 옆에서 보면서 설명하면 아주 간단한데 그림넣고 설명할려고 하니 좀 복잡한듯 합니다.
이것말고도 레이아웃 모드에 대해선 설명할게 조금 더 있습니다..
부가적인 설명은 다음에 추가로 하도록 하겠습니다.
레이아웃모드-첫번째
레이아웃모드에 대한 설명을 하겠습니다.
레이아웃모드는 여러가지로 불립니다.
Paper Space, Tilemode 0, 레이아웃모드, 출력모드 등등으로 불립니다.
출력과 편집을 위한 공간입니다.
먼저 레이아웃모드로 가는 방법부터 보겠습니다.
붉은 색으로 체크 된곳을 보면 ‘배치1’이라고 되어있습니다.
영문캐드에는 ‘Layout1’이라고 되어있을것입니다.
저부분을 클릭합니다.
재생성이 필요하다는 문구가 뜨는데 아무거나 클릭하셔도 됩니다.
일반적으론 안하시고 새로 편집하시는것이 편해보입니다.
앞에서 배운 외부참조로 시트를 불러옵니다.
위와 같이 불러옵니다.
점선으로 보이는 부분은 출력이 되는 부분입니다.
점선 밖의 부분은 출력이 되지 않습니다.
배치 1이라고 적힌 부분을 오른클릭하면 아래와 같은 화면이 나옵니다.
여기에서 페이지 설정 관리자가 보이면 클릭합니다.
그럼 아래와 같은 화면이 뜹니다.
그럼 수정을 누릅니다.
다시 아래와 같은 화면이 나옵니다.
특별히 Plot와 틀리지 않지만 출력할수 있는 부분 클릭이 없습니다.
세팅이야 Plot와 틀리지 않으니 해보시면 아시시라 생각됩니다.
그리시고 확인 버튼을 누르시고 페이지 설정관리자가 한번 더 뜨면 닫기를 눌러주십시오
이작업이 번거롭다고 생각되시면.
페이지 설정관리자 가는 부분을 체크하시지 마시고
바로 Plot버튼을 누릅니다.
위와 같이 일반적인 Plot세팅과 똑같이 한후 배치에 적용이라고 누르시면 위의 설명과 똑같이 됩니다.
위와 같이 시트 내부에 점선이 보이게 됩니다.
시트의 최외각선과 점선사이에 거리가 존재하게 되는데
저부분은 프린터 여백입니다.
Plot설정에서 여백을 조정하게 되면 저부분도 변하게 됩니다.
내용이 넘 길어져서 두번째 설명에서 그 뒷부분을 추가로 설명하도록 하겠습니다.
외부참조가 0,0,0으로 들어오지 않을경우
외부참조를 하다가 보면
삽입점 부분이 위와 같이 0,0,0이 되어있어도
원래 위치도 들어가지 않는 경우가 발생하는 경우가 있습니다.
캐드가 다운이 되고 이러다 보면 앞에서도 언급하였듯이 여러가지 변수가 변하게 됩니다.
제대로 들어가지 않을경우에도 변수가 변한것으로 보시면 됩니다.
명령어창에다가
insbase라고 치시면
값이 0,0,0이 아니라 엉뚱한 값으로 되어있는 경우가 있으면
그 값을 0,0,0으로 바꾸어 주시면 됩니다.
외부참조 파일이나 불러들여오는 파일 모두를 수정해주시는것이
다음에 계속 작업하실때 편하실 것입니다.